zigtech Posted March 26, 2015 Report Posted March 26, 2015 Hi everyone I'm new here. This is my second lumina my old one was a 96 ls. Now I have a 95 base and I want the tach back. My local jy doesn't have any but my friend has a police cluster. I've been reading the posts and I was looking for a pinout so I can hook the vss, power, and ground or were to solder it to the board but everywhere I look at the pictures are gone. Also my friend can't remember what year it came out of so I might have a fuel problem if I do is there anyway to get it to work. Quote
RobertISaar Posted March 26, 2015 Report Posted March 26, 2015 you can definitely interchange 95-97 clusters, but the 98+ may have a fuel gauge problem due to the way it's controlled. the police cluster has some additional hardware necessary to make it operate properly, I believe it all fits into the left cubby hole below the headlamp switch. Quote
RobertISaar Posted March 26, 2015 Report Posted March 26, 2015 did you swap to a newer PCM before/at the same time? Quote
l67ss Posted March 26, 2015 Report Posted March 26, 2015 Honestly cant remember. Ill have to check through my thread Quote
zigtech Posted March 26, 2015 Author Report Posted March 26, 2015 he doesn't have the cubby hole reset. But I never trip mine so having that option is not a big deal. I just really need to know where the vss, power, and ground are so I can get the digital to work. Quote
l67ss Posted March 26, 2015 Report Posted March 26, 2015 I did the 9c3 digital swap on mine also Quote
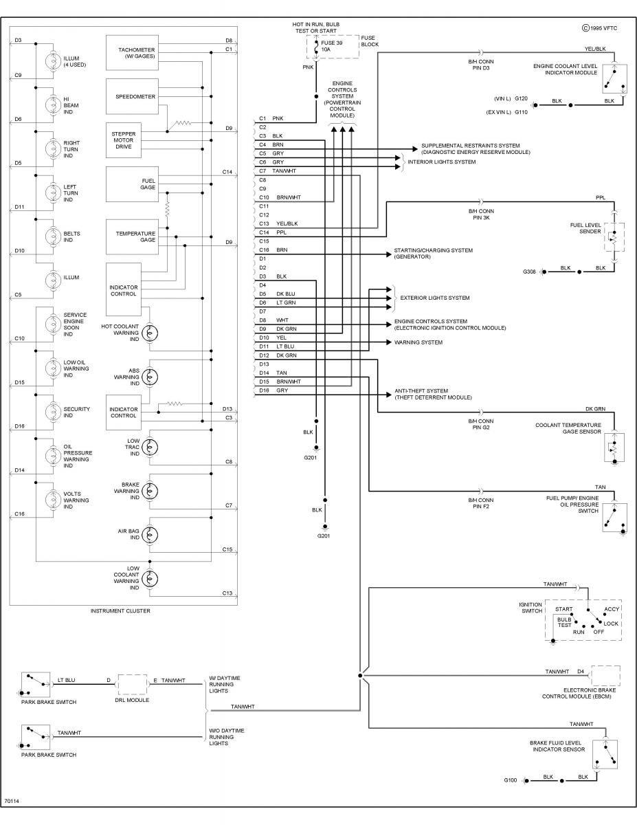
Nas Escobar Posted March 27, 2015 Report Posted March 27, 2015 I managed to find a pinout, however the diagram does not count for one with or without a cluster. I assume GM simply kept the wiring in there but used a non tach cluster. Regardless here's the wiring diagram. This one is the full analogue cluster if I'm not mistaken (they call it without SEO, whatever that means) And here's one with the "SEO (I assume the digi dash). Both of these are for your 95. My theory is that the wiring woudl be more or less the same on the new cluster, but if not, I can post 97+ Quote
zigtech Posted March 27, 2015 Author Report Posted March 27, 2015 I managed to find a pinout, however the diagram does not count for one with or without a cluster. I assume GM simply kept the wiring in there but used a non tach cluster. Regardless here's the wiring diagram. This one is the full analogue cluster if I'm not mistaken (they call it without SEO, whatever that means) [ATTACH=CONFIG]18571[/ATTACH] And here's one with the "SEO (I assume the digi dash). [ATTACH=CONFIG]18572[/ATTACH] Both of these are for your 95. My theory is that the wiring woudl be more or less the same on the new cluster, but if not, I can post 97+ OK thanks Quote
Recommended Posts
Join the conversation
You can post now and register later. If you have an account, sign in now to post with your account.