crazyd Posted July 13, 2014 Report Posted July 13, 2014 Since putting the engine back in my '92 GTP my DIC is not getting any fuel data. Instant econ is 0 and it's constantly telling me to check fuel. It's done this before but usually it comes back after a day or two, but not this time. Suggestions? Thanks, DD Quote
jman093 Posted July 13, 2014 Report Posted July 13, 2014 Sounds like the DIC is missing either fuel input or an ECM input. The check fuel message would make me think fuel input, but you said you just put an engine in which would make me think ECM input. So it's a crapshoot. Any other problems? Check engine lamp on? Fuel gauge inop/lamp illuminated on cluster? Trouble scanning car at Data Link Connector? Quote
crazyd Posted July 13, 2014 Author Report Posted July 13, 2014 No other problems, though I haven't tried scanning it lately. Quote
jman093 Posted July 13, 2014 Report Posted July 13, 2014 Is the average speed updating? If so the problem has to be with the fuel input. Checking at the DIC, that wire should have about 90 ohms on a full tank and about 0 empty. If it's open circuit and the fuel gauge works, that's gonna be a problem with the wire. On my 90 the fuel input is pink wire B6; I've no idea if it's different in 92. Quote
crazyd Posted July 13, 2014 Author Report Posted July 13, 2014 I didn't check average speed, I'll look at that and some other things tomorrow. Quote
pitzel Posted July 13, 2014 Report Posted July 13, 2014 Fuel economy data is derived entirely from ALDL, and the vehicle speed sensor. So you might want to page through and see if those inputs are inop in other parts of the DIC. (ie: coolant temperature is also ALDL-derived). If they are, then make sure that line is connected. If those inputs seem to be available in other pages, my suggestion would be to disconnect the battery terminals for half an hour or so, and let the DIC (and ECU) hard-reset itself. I find that this resets my Cutlass DIC and brings it back to sanity once it stops working normally. Quote
RobertISaar Posted July 13, 2014 Report Posted July 13, 2014 the 88-93 GP DIC seems to have a really weak ALDL circuit, enough so that even having a cable plugged in but not being used will prevent communication to it. i would look for potential issues on that circuit. Quote
crazyd Posted February 13, 2018 Author Report Posted February 13, 2018 Hate to have to bring this back from the dead, but since it's my thread.... I've got speed data but no fuel data to the DIC, and no data at all on the OBD port. I drove it around a hundred miles or so but it hasn't come back on its own. Robert - can you elaborate on what to check? The only stuff I've modified is adding a few extra 12V power ports in the console, the RAP mod under the passenger dash, and a keyless entry unit to the locks & trunk (also under passenger dash). Quote
55trucker Posted February 14, 2018 Report Posted February 14, 2018 When you say you have no data at the port...does that mean the check engine light is not coming on?....or when you plug in the scanner there is no data displayed? the DIC is fed by the same circuit that powers up the serial data port. On the backside of the data (under the dash) port look for the orange wire, that's the input side of the port, the white on black is the reference voltage side (5v) , the black on white is the ground, the ground is the upper right corner pin. I'm thinking that if you have no data display the ground may be open or you have an open in the reference side. are you getting a Code 12 at the check light when you jumper the data port? Quote
crazyd Posted February 14, 2018 Author Report Posted February 14, 2018 I mean when I plug in the scanner I get no data. The MT2500 I have doesn't even power up on it, though it works fine on my Fiero. There's nothing else wrong at the moment, I do get a code 12 flashed out of the SES light if I jumper the pins. Quote
Imp558 Posted February 14, 2018 Report Posted February 14, 2018 1992 should be a 12 pin DLC, no battery power there but there is a ground on pin A. With a brick you have to use the power adapter jumper and hook up both the power and the ground- it reaches under the hood with ease. If you lost serial data after an installation it may be wise to unplug those things and see what you get. Quote
55trucker Posted February 14, 2018 Report Posted February 14, 2018 The MT2500 I have doesn't even power up on it, though it works fine on my Fiero. There's nothing else wrong at the moment, I do get a code 12 flashed out of the SES light if I jumper the pins. You sure the cigarette lighter is working? Seeing as you're getting the code 12 that would be reassuring that the mem-cal hasn't failed neither the ECM. Quote
crazyd Posted February 18, 2018 Author Report Posted February 18, 2018 Ok minor technical difficulties resolved and I got the scanner working, but it can't scan any data. It can short pins A&B that puts the ECM into its diagnostic mode, giving code 12's across the indicator but not much else. I think the signal is probably just too weak for it to recognize it. Does anyone know if there's a reference voltage I should see on the data line? Quote
Imp558 Posted February 18, 2018 Report Posted February 18, 2018 More important would be resistance. Disconnect the battery, pull the PCM and test the resistance from the dlc to the pcm. Quote
55trucker Posted February 18, 2018 Report Posted February 18, 2018 but it can't scan any data. Is the Brick not even getting you a KOEO test? (key on engine off), or a KOER (running) test? with the key off the scanner should be able to cycle thru the simple on-demand test prior to selecting the dataline display. Quote
Imp558 Posted February 18, 2018 Report Posted February 18, 2018 (edited) I think the serial data connection is physically broken or diminished. Edit: did anything that got added get connection to serial data? Edited February 18, 2018 by Imp558 Quote
crazyd Posted February 18, 2018 Author Report Posted February 18, 2018 55trucker: KOEO test gives "NO COMMUNICATION". Didn't bother to try KOER test. Imp558: Nothing else connects to serial data. Those just hook into the power, trunk and door lock circuits. For the resistance test, which wires am I going after? Quote
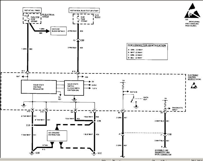
55trucker Posted February 18, 2018 Report Posted February 18, 2018 I mentioned the location of the wires to the ALDL port, here is a schematic............. Quote
crazyd Posted February 18, 2018 Author Report Posted February 18, 2018 Okay so from that schematic my problem is with the orange wire CKT 461. High winds and freezing temps outside right now, but when the weather calms down I'll fish around under there and try some continuity & resistance tests. Quote
Imp558 Posted February 18, 2018 Report Posted February 18, 2018 I'll get you a more detailed diagram this evening. It could be a corroded terminal or a rotten splice. It could be a lot of things. Quote
55trucker Posted February 18, 2018 Report Posted February 18, 2018 Something simple you could do is to back probe the ground terminal (450) on the ALDL port with a pin and run a temp ground to chassis then connect the scanner. This just tests the regular ground circuit for continuity. Quote
crazyd Posted February 19, 2018 Author Report Posted February 19, 2018 What's the difference between doing that and testing continuity between Terminal A and chassis ground? Further, would diagnostic mode from shorting pins A & B on the ALDL even work (which it does) if there were a problem with ALDL pin A's ground? Quote
Imp558 Posted February 19, 2018 Report Posted February 19, 2018 I just posted your ECM in the pin thread: http://www.w-body.com/topic/56222-how-to-pcm-and-tranny-pin-thread/?p=1256172 Here's the DLC wiring: Obviously if it's a wiring issue it's likely at the PCM pin (B5), C100 Bulkhead connector, or splice s200. Quote
Imp558 Posted February 19, 2018 Report Posted February 19, 2018 Further, would diagnostic mode from shorting pins A & B on the ALDL even work (which it does) if there were a problem with ALDL pin A's ground? Good catch! Quote
crazyd Posted February 19, 2018 Author Report Posted February 19, 2018 OK, looks like it's going to be the green wire on the white ECM connector B. It says not to backprobe it, which I assume is so the weatherpack seal isn't damaged. I guess I can unplug it and test resistance & continuity back to the C100. I've got a feeling that's where the problem's going to be, since I had to repair a lot of wires there when I first got the car that were damaged by a frayed accessory belt. Quote
Recommended Posts
Join the conversation
You can post now and register later. If you have an account, sign in now to post with your account.