89-W-Body-Regal Posted June 9, 2018 Report Posted June 9, 2018 1989 Buick Regal Custom 2.8 V-6 I need help like as soon as possible. Set a side from the HVAC issues I am dealing with, I am now dealing with more issues. The car is due for inspection this month and have only 3 weeks left in this month. Please give me some assistance if you dealt with the same issue and know what fixed it. I am not sure if Buick put a service bullietin out on this but mine is weird. - The alternator and battery need replacement because alternator was over charged. I can’t do anything until I get those replaced. - next to the issues I need addressed so I can get the car inspected. - First issue, I replaced my old turn singal switch because it was only flashing on the right side and not left side on the dash. After replacing the blinker/flasher that didn’t fix it. So I replaced the turn signal switch and after attaching the hazard switch knob back onto the steering column, I toggled the switch to on position and blew out a fuse. The turn signal and hazard lights wouldn’t funcation anymore and found out the headlight switch was malfunctioning too. The headlight switch doesn’t remind you anymore when the headlights are left on. The front head lights don’t funcation. But the side markers do. And I have rear tail lights working. These two issues are a safety hazard and are need in Pennsylvania they need to be working for inspection anyhow. If I don’t get them fixed I can’t be issued a sticker. If you had this vehicle or a W-Body vehicle similar how did you fix this issue? I don’t like driving like this Quote
Imp558 Posted June 9, 2018 Report Posted June 9, 2018 Sounds like you need to look over the front of the car and fix the ground for the headlights. 89-W-Body-Regal 1 Quote
Schurkey Posted June 10, 2018 Report Posted June 10, 2018 Time to buy a REAL service manual for that car. Quote
89-W-Body-Regal Posted June 10, 2018 Author Report Posted June 10, 2018 Time to buy a REAL service manual for that car. I have been meaning to do that with all the electrical issues I been having. Quote
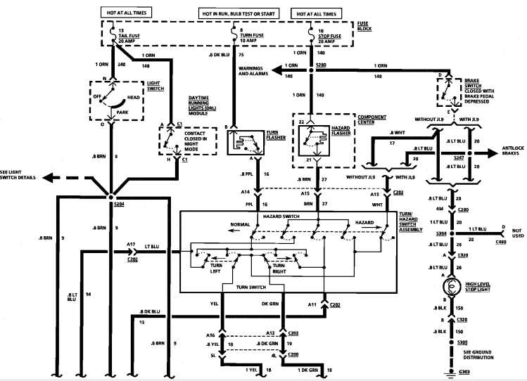
Imp558 Posted June 11, 2018 Report Posted June 11, 2018 Here's the prints for your turn signals, I'd test the diode thing that's clearly mislabeled as a relay and see what the voltage after those resistors is. Quote
89-W-Body-Regal Posted June 21, 2018 Author Report Posted June 21, 2018 So I was looking at the wire diagrams and also found out I have a shorted out lamp socket. The bulb does not stay lit and that’s why my left turn signal doesn’t keep blinking. Can someone tell me why the wires are different colors? The parts catalog for my Buick said this is the correct lamp socket part number Did they change wire colors when they reproduced them? Quote
vipmiller803 Posted June 21, 2018 Report Posted June 21, 2018 (edited) So I was looking at the wire diagrams and also found out I have a shorted out lamp socket. The bulb does not stay lit and that’s why my left turn signal doesn’t keep blinking. Can someone tell me why the wires are different colors? The parts catalog for my Buick said this is the correct lamp socket part number Did they change wire colors when they reproduced them? I have ran into this issue. I do believe they changed colors and possibly wire thickness at some point in the years run. I had to replace my tail light last year and ran into this. I'd follow the order in which the wires come out of the socket. You can also test them if you wish. Edited June 21, 2018 by vipmiller803 Imp558 1 Quote
rich_e777 Posted June 21, 2018 Report Posted June 21, 2018 Pull the blue cover off and match up positions, often black or black with white strip is a ground wire. 89-W-Body-Regal 1 Quote
89-W-Body-Regal Posted June 21, 2018 Author Report Posted June 21, 2018 Pull the blue cover off and match up positions, often black or black with white strip is a ground wire. And the black wire on the new lamp socket would crimp onto the black and white stripe wire correct? Quote
rich_e777 Posted June 21, 2018 Report Posted June 21, 2018 So long as the position of the wires coming out of the back of the socket matched, at least you dont have the green,blue, black socket to figure out. Quote
89-W-Body-Regal Posted June 23, 2018 Author Report Posted June 23, 2018 The hazard switch is what keeps blowing the stop as I stated. I can see it blow soon as I put a new fuse in the fuse box. It’s always the 20 amp stop fuse. The wire diagram said the stop fuse is the brake lights and controls the warning lights, turn signals/hazards and brake lights. I did notice I have a short in one of the tail light bulb sockets. The left turn signal bulb doesn’t stay lit at all times. It goes out and when I tap on the tail light sometimes it lights again and my left turn signal starts blinking again. Replace the bulb too. I am thinking there is a short in the tail light wiring harness. Just replaced some of the other bulbs and the tail light bulbs light but it’s one that doesn’t want to stay lit. Do you think replacing the lamp socket would fix the blowing fuse or the short circuit is in the fuse box it self? The blown fuse is affecting my head light switch and turn signals and now brake lights. I need to replace the park/turn module to fix the issue with the instrument indicators for the turn signals. But for the turn signals to blink the hazard switch needs to stop shorting out the stop fuse. Quote
Imp558 Posted June 23, 2018 Report Posted June 23, 2018 If you remove all of the bulbs and put an old seat belt buzzer in where the fuse is you can wiggle stuff around until the buzzer stops buzzing. Whatever makes it stop buzzing is the short. Quote
89-W-Body-Regal Posted June 23, 2018 Author Report Posted June 23, 2018 The short might be coming from a brake light bulb that doesn’t stay lit and that bulb is the left turn signal bulb. All the other bulbs are good because I just replaced them and they stay lit with no problem. The wire diagram says the hazard switch grounds the brake switch. I think the stop fuse is shorting out because of the brake light switch Quote
89-W-Body-Regal Posted June 23, 2018 Author Report Posted June 23, 2018 Can you show me what the seat belt buzzer looks like? I need to make sure by putting that in the fuse box it doesn’t blow like the fuse always does Quote
Imp558 Posted June 23, 2018 Report Posted June 23, 2018 Can you show me what the seat belt buzzer looks like? I need to make sure by putting that in the fuse box it doesn’t blow like the fuse always does A seat belt buzzer from an old car or any 12V buzzer from an electronics store is a phenomenal weapon when diagnosing electrical shorts to ground. A modern car will likely have the buzzer built into the BCM and they aren't usable but a car from the '80's or older would have them stuck under the dash. My old buzzer was an old AMC seatbelt buzzer with a couple of bare wires and my current buzzer is a 12V electronics store buzzer with a couple of alligator clips soldered to the leads. When I'm using a buzzer for diagnostics it goes in series with the items I suspect to be bleeding power, in this case I would rig the buzzer to go across the terminals that should be occupied by the fuse. Since the buzzer is a resistance load and not a dead short like a fuse it will not simply pop like a fuse. A buzzer (or a light bulb) can go right across a batteries terminals safely (though in a practical circuit we would always put some sort of circuit protection device in series). The theory is that when you remove all the bulbs there's nothing there to complete the circuit to ground so if the fuse is substituted with a buzzer the buzzer will not buzz because it has no path to ground. If the buzzer does make a sound then somewhere is a ground path that shouldn't be there. A light bulb will do the same thing but with a buzzer I can hear it while I wiggle the harness and poke at stuff rather than having to keep it visible to see if it goes out. I've diagnosed cars before that were mysteriously killing batteries by disconnecting one side of the battery and putting my trusty buzzer between the terminal and cable that came off of the terminal. The buzzer does it's thing and I pull fuses one at a time, when the buzzer stops or gets really quiet the fuse I just pulled tells me what circuit to start looking at. rich_e777 1 Quote
89-W-Body-Regal Posted June 23, 2018 Author Report Posted June 23, 2018 So just so this is understandable to me, I can plug it right into the fuse box where the fuse would plug into and if you touch any source of wiring it could buzz if it indicates you found the short to ground. And by removing all the bulbs do you need to remove every bulb from the harness Quote
Imp558 Posted June 23, 2018 Report Posted June 23, 2018 I can plug it right into the fuse box where the fuse would plug into Yes, essentially rigging the two wires from the buzzer into the two contacts where a fuse would go to put it in series with the circuit if you touch any source of wiring it could buzz if it indicates you found the short to ground. Yes, if there's a ground it will buzz because that will complete the circuit And by removing all the bulbs do you need to remove every bulb from the harness Yes because a bulb will also complete the circuit to ground and the buzzer will buzz. -------------- It goes without saying that when you know there's something bad like that brake light bulb we should always do a visual inspection there first and try it with that bulb removed first, no sense in troubleshooting a system with a known bad spot. -------------- There's a way to do this with the battery disconnected using a multimeter on continuity setting too but the buzzer is the easier way especially if you're not comfortable with a meter. One of us should do a write-up with pics on electrical testing at some point, as old as this forum is there might be a lost thread somewhere.. 89-W-Body-Regal 1 Quote
89-W-Body-Regal Posted June 23, 2018 Author Report Posted June 23, 2018 There’s so many different seat belt buzzers for sale Which one am I looking for that will fit like a fuse? Looked online and they are for certain makes and models deactivating seat belt alarms when the seat belt is unplugged. Quote
Imp558 Posted June 23, 2018 Report Posted June 23, 2018 There’s so many different seat belt buzzers for sale Which one am I looking for that will fit like a fuse? Looked online and they are for certain makes and models deactivating seat belt alarms when the seat belt is unplugged. None! you have to get creative. Tinned wires, male pins from an old plug, a cut open fuse.... Quote
89-W-Body-Regal Posted June 23, 2018 Author Report Posted June 23, 2018 Damn! Didn’t really it was this complex. I think I will test the brake light first so I seen it off the wiring diagram controlled by the warning lights and mostly the hazard switch that keeps blowing fuse Quote
Recommended Posts
Join the conversation
You can post now and register later. If you have an account, sign in now to post with your account.